定制服务流程
根据不同工况,提供定制服务
主页 > 产品板块 > 油品净化板块 > 液压油过滤器 > WU, XU系列吸油过滤器 >
该过滤器属于粗过滤器,一般安装在油泵的吸油口处, 用以保护油泵避免吸入较大的机械杂质。该过滤器结构简单,通油能力大阻力小,并设有管式、法兰式连接,分网式、线隙式两种。
| 应用范围 | 广泛应用于重型机械、矿山机械、冶金机械等液压系统。 |
| 过滤介质 | 液压油中水和乙二醇等 |
| 咨询电话 | 400-0089-277 |
技术参数
| 型号 | 通径 Dia. (mm) |
公称流量 Flow rate (L/min) |
原始压力损失 Iniaitl.△P (MPa) |
过滤精度 Filtr. (μm) |
旁通阀开启压力 (MPa) |
连接方式 Connecting |
|---|---|---|---|---|---|---|
| X/WU - 16 x * - J | 12 | 16 | <=0.01 | 80 100 180 |
0.02 | 管式 |
| X/WU - 25 x * - J | 15 | 25 | ||||
| X/WU - 40 x * - J | 20 | 40 | ||||
| X/WU - 63 x * - J | 25 | 63 | ||||
| X/WU - 100 x * - J | 32 | 100 | ||||
| X/WU - 160 x * - J | 40 | 160 | ||||
| X/WU - 225 x * G - J | 50 | 225 | ||||
| X/WU - 250 x * F-J | 50 | 250 | 法兰式 | |||
| X/WU - 400 x * F - J | 65 | 400 | ||||
| X/WU - 630 x * F - J | 80 | 630 | ||||
| WU - 800 x * G - J | 63 | 800 | 管式 | |||
| WU - 1000 x * G - J | 76 | 1000 |
链接尺寸
1、WU系列(网式)
| 型号 Model |
尺 寸 Size (mm) | |||
|---|---|---|---|---|
| H | D | M(d) | d1 | |
| WU-16 x * - J | 84 | Φ35 | M18 x 1.5 | |
| WU-25 x * - J | 104 | Φ43 | M22 x 1.5 | |
| WU-40 x * - J | 124 | M27x2 | ||
| WU-63 x * - J | 103 | Φ70 | M33x2 | |
| WU-100 x * - J | 153 | M42x2 | ||
| WU-160 x * - J | 200 | Φ82 | M48x2 | |
| WU-225 x * G - J | 165 | Φ150 | G2 | |
| WU-250 x * f - J | 182 | Φ88 | Φ50 | Φ74 |
| WU-400 x * f - J | 229 | Φ105 | Φ65 | Φ93 |
| WU-630 x * f - J | 281 | Φ118 | Φ80 | Φ104 |
| WU-800 x * G - J | 340 | Φ150 | G2 1/2 | |
| WU-1000 x * G - J | 430 | Φ150 | G3 | |
2、XU系列(线隙式)
| 型号 Model |
尺 寸 Size (mm) | |||
|---|---|---|---|---|
| H | D | M(d) | d1 | |
| XU-6 x * - J | 73 | Φ56 | M18X1.5 | |
| XU-10 x * - J | 104 | |||
| XU-16 x * - J | 158 | |||
| XU-25 x * - J | 125 | Φ75 | M22X1.5 | |
| XU-40 x * - J | 198 | M27X2 | ||
| XU-63 x * - J | 186 | Φ99 | M33X2 | |
| XU-100 x * - J | 288 | M42X2 | ||
| XU-160 x * - J | 368 | Φ118 | M48X2 | |
| XU-250 x * F - J | 422 | Φ162 | Φ50 | Φ74 |
| XU-400 x * F - J | 491 | Φ222 | Φ65 | Φ93 |
| XU-636 x * f - J | 659 | Φ252 | Φ80 | Φ104 |
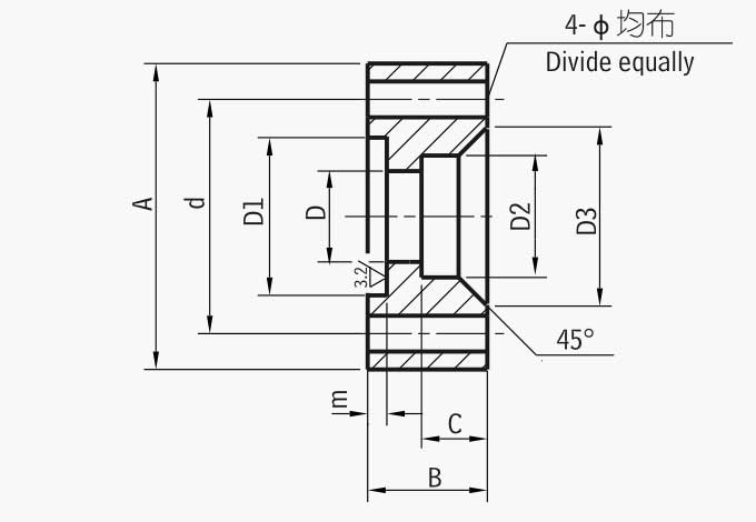
3、连接法兰,请用户参照下列尺寸加工
| 型号 | 尺 寸 (mm) | 法兰用O形圈 | 法兰用螺钉 (4只) |
|||||||||
|---|---|---|---|---|---|---|---|---|---|---|---|---|
| A | B | C | D | D1+0.06 | D2+0.2 | D3 | d | E-0.1 | 4-Φ | |||
| WU - 250 x * F - J | Φ86 | 15 | 9 | Φ50 | Φ60 | Φ54 | Φ60 | Φ74 | 2.4 | 6.7 | Φ60x3.1 | M6x25 |
| XU - 250 x * F - J | ||||||||||||
| WU - 400 x * F - J | Φ105 | Φ65 | Φ75 | Φ70 | Φ76 | Φ93 | Φ75x3.1 | |||||
| XU - 400 x * F - J | ||||||||||||
| WU - 630 x * F - J | Φ118 | Φ80 | Φ90 | Φ85 | Φ91 | Φ104 | Φ90x3.1 | |||||
| XU - 630 x * F - J | ||||||||||||
现场直击
产品实拍
视频
客户案例
用途:液压油过滤流量:1000t/h
用途:液压油过滤流量:200t/h
用途:油过滤流量:100t/h