定制服务流程
根据不同工况,提供定制服务
主页 > 产品板块 > 油品净化板块 > 液压油过滤器 > TFA系列吸油过滤器 >
本过滤器安装在油泵吸口处,用以保护油泵及其它液压元件,以避免吸入污染杂质,有效地控制液压系统污染,提高液压系统清洁度。
本过滤器可直接的在油箱侧边,上部或底部,吸油筒体浸入油箱内液面仪下,过源器滤头露在油箱外,并设有自封阀,旁通阀,滤芯污染増塞发讯器等装置,使更换滤芯和清洗滤芯时油箱内油液不会流出,本产品设计新颖,安装方便,油通能力大,阻力小,清洗或更换滤芯方便等优点。
| 应用范围 | 广泛应用于重型机械、矿山机械、冶金机械等液压系统。 |
| 过滤介质 | 液压油中水和乙二醇等 |
| 咨询电话 | 400-0089-277 |
性能与特点
1、安装连接方便,简化系统管路:
本过滤器可直接安装在油箱侧边,底部或上部,过滤器滤头露在油箱外,吸油筒体浸入油箱内液面以下,出油口设有管式、法兰式连接,过滤器内设置自封阀等装置,使管路省去装截止阀等其它管件,从而使 管路简化,安装方便。
2、设置自封阀,使更换、清洗滤芯或维修系统非常方便:
当更换、清洗浦芯或维修系统时,只需旋开过滤器端盖(清洗盖), 此时自封阀会自动关闭,隔绝油箱油路,使油箱内油液不会向外流出, 从而使清洗,更换滤芯或维修系统非常方便,如顶开自封阀又可作油箱向外放油之用。
3、具有滤芯污染发讯器与油路旁通阀,提高了液压系统的可靠性:
当滤芯被污染物堵塞到出油口真空度为0.018MPa时,发讯器便发出讯号,应及时更换或清洗滤芯。若此时不能马上停机或无人来更换滤芯时,在滤芯上部的油路旁通阀会自动幵启(开启值为:真空0.02MPa),以避免油泵出现吸空故障。但此时应停机更换或清洗滤芯,以保持液压系统清洁度,提高液压系统的可靠性。
技术参数
| 型号 | 公称流量 Flow rate (L/min) |
过滤精度 Filtr. (μm) |
通径 Dia. (mm) |
原始压力损失 Iniaitl.△P (MPa) |
发讯装置 Indicator |
连接方式 Connecting |
重量 Weight (Kg) |
滤芯型号 Model of element |
|
|---|---|---|---|---|---|---|---|---|---|
| (V) | (A) | ||||||||
| TF-25×*L-C/Y | 25 | 80 100 180 |
15 | <0.01 | 12 24 36 220 |
2.5 2 1.5 0.25 |
>管式 Thread |
0.4 | TFX-25×* |
| TF-40×*L-C/Y | 40 | 15 | 0.45 | TFX-40×* | |||||
| TF-63×*L-C/Y | 63 | 25 | 0.82 | TFX-63×* | |||||
| TF-100×*L-C/Y | 100 | 32 | 0.87 | TFX-100×* | |||||
| TF-160×*L-C/Y | 160 | 40 | 1.75 | TFX-160×* | |||||
| TF-250×*F-C/Y | 250 | 50 | >法兰 Flange |
2.60 | TFX-250×* | ||||
| TF-400×*F-C/Y | 400 | 65 | 4.3 | TFX-400×* | |||||
| TF-630×*F-C/Y | 630 | 90 | 6.2 | TFX-630×* | |||||
| TF-800×*F-C/Y | 800 | 6.9 | TFX-800×* | ||||||
| TF-1000×*F-C/Y | 1000 | 8 | TFX-1000×* | ||||||
| TF-1300×*F-C/Y | 1300 | 10.4 | TFX-1300×* | ||||||
注:*为过滤精度,若使用介质为水--乙二醇,公称流量160L/min,过滤精度80μm,带ZS-I型发讯器,则过滤器型号为TF.BH-160×80L-C,滤芯型号为TFX.BH-160×80。
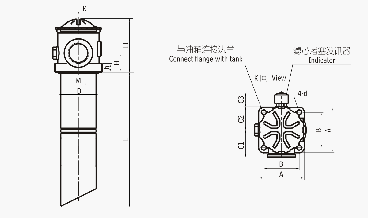
链接尺寸
1、管式(出油口螺纹链接)Threaded Connection
2、法兰式(出油口法兰链接)Flanged Connection
表一、TFA-25~160赚纹式尺寸
| 型号 Model |
尺 寸 Size (mm) | |||||||||||
|---|---|---|---|---|---|---|---|---|---|---|---|---|
| L | L1 | H | M | D | A | B | C1 | C2 | C3 | h | d | |
| TF-25X*L - Y/C | 343 | 78 | 25 | M22 × 1.5 | Φ62 | 80 | 60 | 45 | 42 | 42 | 9.5 | Φ9 |
| TF-40X*L - Y/C | 110 | M27 × 2 | ||||||||||
| TF-63X*L - Y/C | 488 | 98 | 33 | M33 × 2 | Φ75 | 90 | 70.7 | 54 | 47 | 10 | ||
| TF-100X*L - Y/C | 538 | M42 × 2 | ||||||||||
| TF-160X*L - Y/C | 600 | 119 | 42 | M48 × 2 | Φ91 | 105 | 81.3 | 62 | 53.5 | 12 | Φ11 | |
表二、TFA-250~800 去兰式连接尺寸
| 型号 Model |
尺 寸 Size (mm) | |||||||||||||||
|---|---|---|---|---|---|---|---|---|---|---|---|---|---|---|---|---|
| L | L1 | H | D1 | D | a | b | n | A | B | C1 | C2 | C3 | h | d | Q | |
| TF-250X*L - Y/C | 670 | 119 | 42 | Φ50 | Φ91 | 70 | 40 | M10 | 105 | 81.3 | 72.5 | 53.5 | 42 | l2 | Φ11 | Φ60 |
| TF-400X*L - Y/C | 725 | 141 | 50 | Φ65 | Φ110 | 90 | 50 | 125 | 95.5 | 82.5 | 61 | 15 | Φ73 | |||
| TF-630X*L - Y/C | 825 | 184 | 65 | Φ90 | Φ140 | 120 | 70 | 160 | 130 | 100 | 81 | 15.5 | Φ102 | |||
| TF-800X*L - Y/C | 885 | |||||||||||||||
现场直击
产品实拍
视频
客户案例
用途:液压油过滤流量:1000t/h
用途:液压油过滤流量:200t/h
用途:油过滤流量:100t/h