定制服务流程
根据不同工况,提供定制服务
主页 > 产品板块 > 油品净化板块 > 液压油过滤器 > RF系列直回式回油过滤器 >
本过滤器用于液压系统回油精过滤,滤除液压系统中元件磨损产生的金属颗粒以及密封件的橡胶杂质等污染物,使流回油箱的油保持清洁。
| 应用范围 | 广泛应用于重型机械、矿山机械、冶金机械等液压系统。 |
| 过滤介质 | 液压油中水和乙二醇等 |
| 咨询电话 | 400-0089-277 |
性能与特点
1、 本过滤器可直接安装在油箱盖板上,也可以用管子安装。
2、 设有滤芯污染堵塞发讯器,及旁通阀,提高液压交流的可靠性,当滤芯被污染物堵塞或系统液温过低,流量脉动等因素造成进油压力为0.35MPa时,发讯器便发出讯号指示,应及时更换滤芯或提高温度,如此时不能马上停机处理这些故障时,设在滤芯上的旁通阀会自动开启(开启压力为0.4MPa)。
3、 滤芯采用玻璃纤维材质,具有过滤精度高,通油能力大,原始压力损失小,纳污量大等优点,其过滤精度以对过滤精度标定,过滤比β3、5、10、20≥200过滤效率n≥99.5%符合ISO标准。
技术参数
| 型号 | 公称流量 (L/min) |
过滤精度 (μm) |
通径 (mm) |
公称压力 (MPa) |
压力损失 (MPa) |
发讯装置 (V/W) |
重量 (Kg) |
滤芯型号 | ||
|---|---|---|---|---|---|---|---|---|---|---|
| Initial | Max. | (V) | (A) | |||||||
| RF - 60 x * Y/C | 60 | 1 3 5 10 20 |
20 | 1 | W0.07 | 0.35 | 12 24 36 220 |
2.5 2 1.5 0.25 |
0.4 | LH0060R* BN/HC |
| RF - 110 x * Y/C | 110 | 0.9 | LH0110R* BN/HC | |||||||
| RF - 160 x * Y/C | 160 | 40 | 1.1 | LH0160R* BN/HC | ||||||
| RF - 240 x * Y/C | 240 | 1.8 | LH0240R* BN/HC | |||||||
| RF - 330 x * Y/C | 330 | 50 | 2.3 | LH0330R* BN/HC | ||||||
| RF - 500 x * Y/C | 500 | 3.2 | LH0500R* BN/HC | |||||||
| RF - 660 x * Y/C | 660 | 80 | 4.1 | LH0660R* BN/HC | ||||||
| RF - 850 x * Y/C | 850 | 13 | LH0850R* BN/HC | |||||||
| RF - 950 x * Y/C | 950 | 90 | 20 | LH0950R* BN/HC | ||||||
| RF - 1300 x * Y/C | 1300 | 100 | 41.5 | LH1300R* BN/HC | ||||||
注:*为过滤精度,若使用介质为水一乙二醇,公称流量160L/min,过滤精度10μm,带CYB-Ⅰ型发讯器,则过滤器型号为RF · BH-160 x 10Y,滤芯型号为LH0160R010BN/HC。
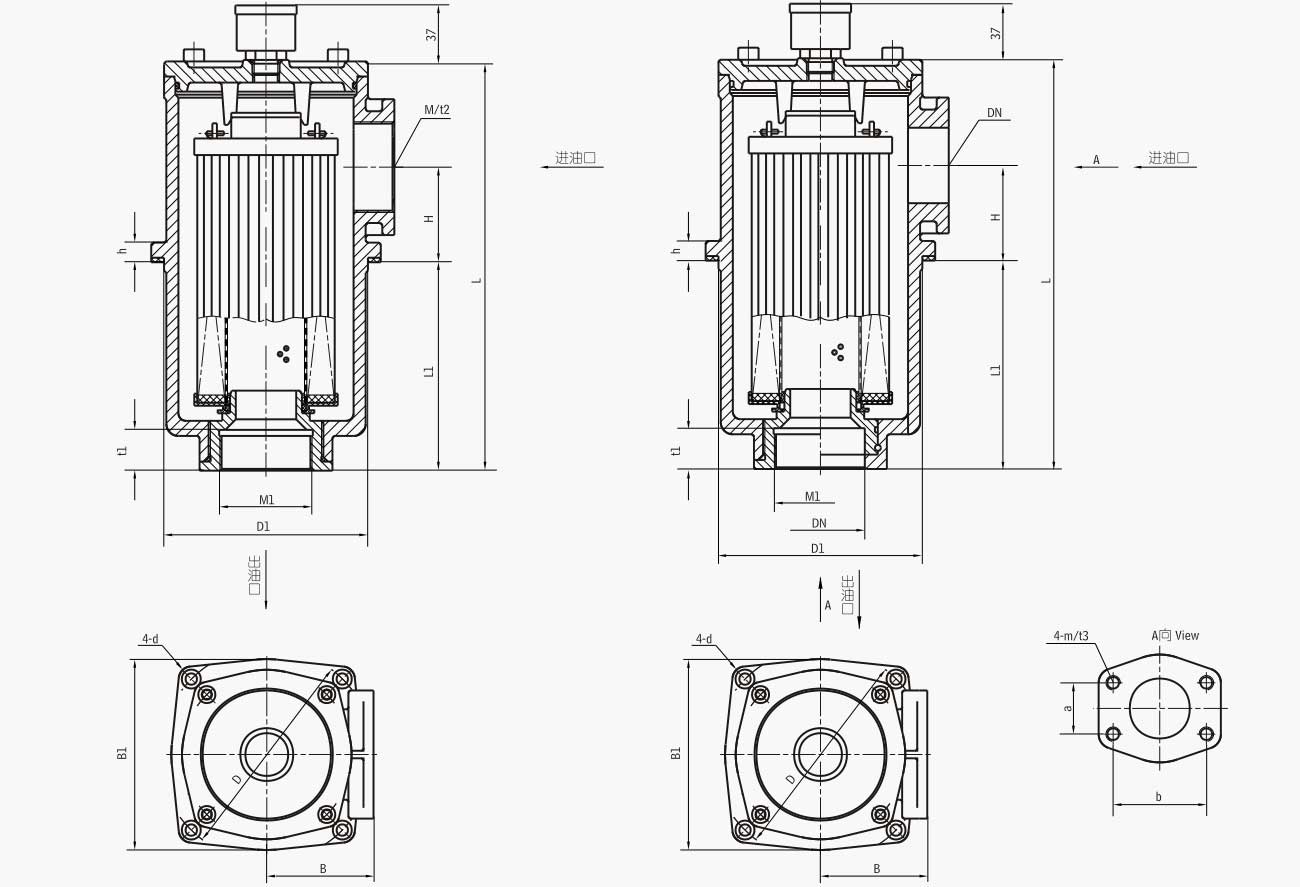
链接尺寸
| 型号 Model |
尺 寸 Size (mm) | |||||||||||||||||
|---|---|---|---|---|---|---|---|---|---|---|---|---|---|---|---|---|---|---|
| B1 | L | L1 | h | D1 | H | D | d | M | t2 | B | M1 | t1 | m | t3 | a | b | DN | |
| RF - 60 x * L - Y/C | 90 | 166 | 92 | 11 | Φ80 | 34 | Φ100 | Φ5.5 | M27x2 | 16 | 48 | M27x2 | 16 | |||||
| RF - 110 x * L - Y/C | 233 | 159 | M33x2 | M33x2 | ||||||||||||||
| RF - 160 x * L - Y/C | 120 | 209 | 120 | 11 | Φ106 | 40 | Φ135 | Φ7 | M48x2 | 20 | 66 | M48x2 | 20 | |||||
| RF - 240 x * L - Y/C | 268 | 179 | M48x2 | M48x2 | ||||||||||||||
| RF - 330 x * L - Y/C | 152 | 271 | 138 | 13 | Φ135 | 63 | Φ170 | Φ9 | M60x2 | 27 | 85 | M60x2 | 27 | |||||
| RF - 330 x * F - Y/C | M60x2 | M12 | 23 | 42.9 | 77.8 | Φ50 | ||||||||||||
| RF - 500 x * F - Y/C | 351 | 218 | ||||||||||||||||
| RF - 660 x * F - Y/C | 196 | 411 | 243 | 13 | Φ175 | 83 | Φ220 | Φ13.5 | 110 | m16 | 22 | 61.9 | 106.4 | Φ80 | ||||
| RF - 850 x * F - Y/C | 492 | 324 | ||||||||||||||||
| RF - 950 x * F - Y/C | 255 | 449 | 251 | 14 | Φ208 | 93 | Φ290 | Φ17.5 | 135 | 22 | 69.9 | 120.7 | Φ90 | |||||
| RF - 1300 x * F - Y/C | 573 | 332 | 121 | 145 | 77.8 | 130.2 | Φ100 | |||||||||||
现场直击
产品实拍
视频
客户案例
用途:液压油过滤流量:1000t/h
用途:液压油过滤流量:200t/h
用途:油过滤流量:100t/h