定制服务流程
根据不同工况,提供定制服务
主页 > 产品板块 > 油品净化板块 > 液压油过滤器 > DFB系列高压板式过滤器 >
该高压板式过滤器可直接安装系统的阀块上,用于逬一步清除或阻挡由于外界侵入或元件工作时磨损,所产生的杂质。特别适用自动控制系统和伺服系统。它可防止高精度的控制元件和执行元件由于污染而过早磨损或卡死,从而可减少故障,延长元件使用寿命。
该过滤器设有压差发讯器,当滤芯被污染堵塞到进出油口压差为0.5MPa时,即发出开关信号,此时应清洗或更换滤芯,此达到保证系统安装的目的。
| 应用范围 | 广泛应用于重型机械、矿山机械、冶金机械等液压系统。 |
| 过滤介质 | 液压油中水和乙二醇等 |
| 咨询电话 | 400-0089-277 |
性能与特点
该过滤器与传统过滤器相比具有安装结构紧凑,体积小的特点,且滤芯采用逬口玻璃纤维滤材,具有过滤精度高,通油能力强,原始压力小,纳污量大等优点。 过滤精度以绝对过滤精度标定,其过滤比β 3、5、10、20N200过滤效率n≥99.5%。 符合ISO标准。
技术参数
| 型号 | 通径 Dia. (mm) |
公称流量 Flow rate (L/min) |
过滤精度 Filtr. (μm) |
公称压力 (MPa) |
压力损失 Iniaitl.△P (MPa) |
发讯器功率 (V/W) |
滤芯型号 | 进出油口 0形圈 |
|
|---|---|---|---|---|---|---|---|---|---|
| Initial | Max. | ||||||||
| DFB-H30 x *C | 16 | 30 | 3 5 10 20 30 |
32 | <=0.01 | 0.5 | 220V/50W | LH0030D*BN3HC | 24x2.4 |
| DFB-H60 x *C | 20 | 60 | LH0060D*BN3HC | 32x3.1 | |||||
| DFB-H110 x *C | 110 | LH0110D*BN3HC | |||||||
| DFB-H160 x *C | 32 | 160 | LH0160D*BN3HC | 40x3.1 | |||||
| DFB-H240 x *C | 240 | LH0240D*BN3HC | |||||||
| DFB-H330 X *C | 330 | LH0330D*BN3HC | |||||||
| DFB-H500 X *C | 500 | LH0500D*BN3HC | |||||||
| DFB-H660 X *C | 660 | LH0660D*BN3HC | |||||||
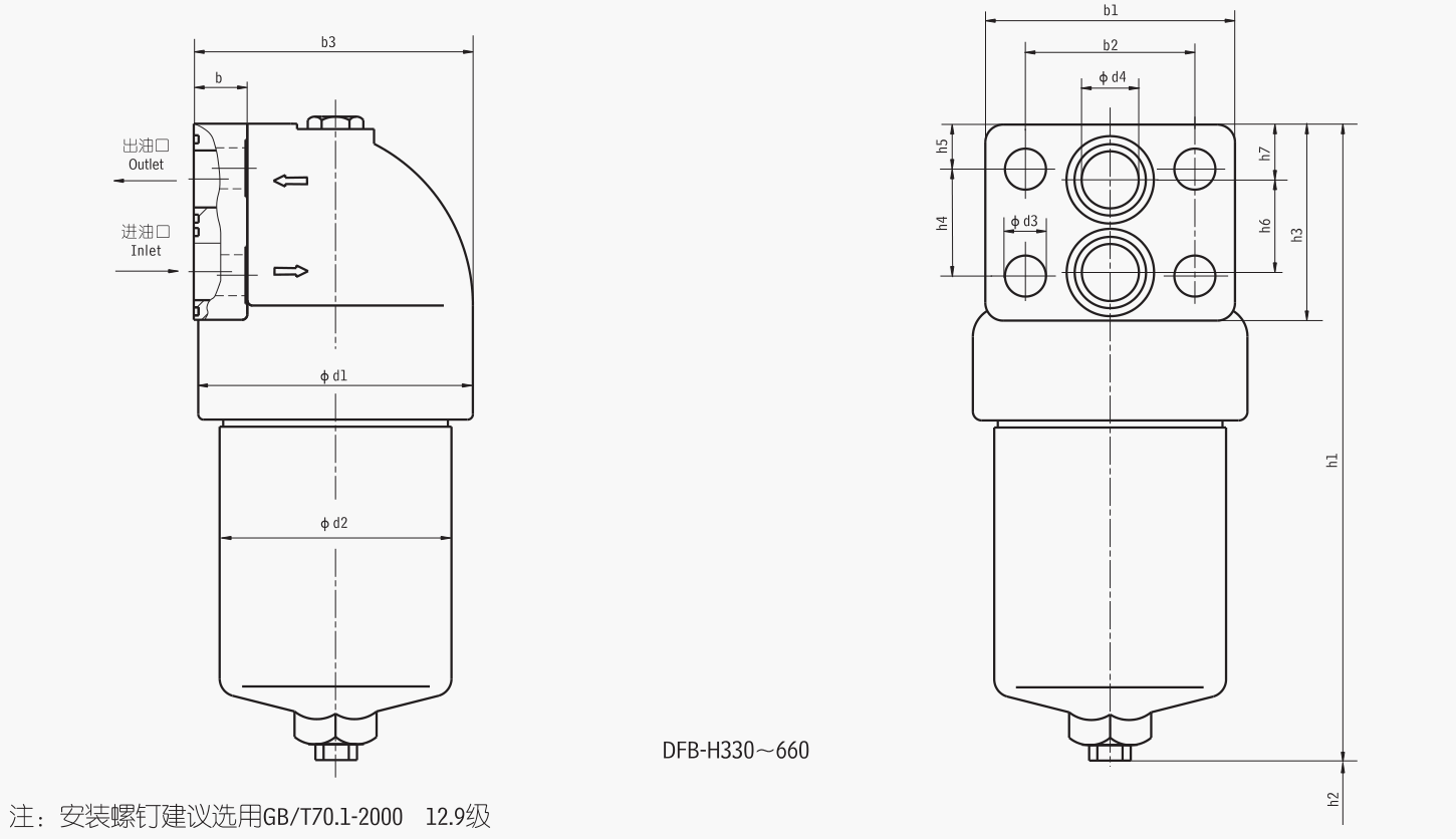
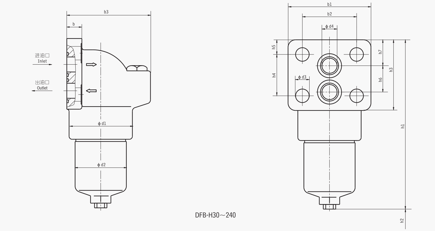
链接尺寸
| 型号 Model |
尺 寸 Size (mm) | ||||||||||||||
|---|---|---|---|---|---|---|---|---|---|---|---|---|---|---|---|
| Φd1 | Φd2 | Φd3 | Φd4 | b | b1 | b2 | b3 | h1 | h2 | h3 | h4 | h5 | h6 | h7 | |
| DFB-H30x*C | 67 | 54 | 12 | 16 | 18 | 80 | 57 | 94 | 210 | 75 | 76 | 45 | 15.5 | 28 | 30.5 |
| DFB-H60x*C | 92 | 73 | 18 | 20 | 20 | 110 | 72 | 115 | 240 | 75 | 94 | 55 | 19.5 | 35 | 34.5 |
| DFB-H110x*C | 92 | 73 | 18 | 20 | 20 | 110 | 72 | 115 | 309 | 75 | 94 | 55 | 19.5 | 35 | 34.5 |
| DFB-H160x*C | 124 | 102 | 22 | 32 | 30 | 140 | 95 | 153 | 293 | 85 | 110 | 60 | 25 | 52 | 31 |
| DFB-H240x*C | 124 | 102 | 22 | 32 | 30 | 140 | 95 | 153 | 351 | 85 | 110 | 60 | 25 | 52 | 31 |
| DFB-H330x*C | 170 | 146 | 22 | 32 | 30 | 140 | 95 | 172 | 372 | 115 | 110 | 58 | 26 | 52 | 32 |
| DFB-H500x*C | 170 | 146 | 22 | 32 | 30 | 140 | 95 | 172 | 454 | 115 | 110 | 58 | 26 | 52 | 32 |
| DFB-H660x*C | 170 | 146 | 22 | 32 | 30 | 140 | 95 | 172 | 528 | 115 | 110 | 58 | 26 | 52 | 32 |
现场直击
产品实拍
视频
客户案例
用途:液压油过滤流量:1000t/h
用途:液压油过滤流量:200t/h
用途:油过滤流量:100t/h